FlowerPower LED GrowLight POWERLIGHT 400W Repair (#P8)
Yeah, sorry for not delaying this until I could declare project #P420, but sometimes I’m a little impatient to get content online. After all, I’m not as enthusiastic about this silly number as some folks apparently are. Which also means I’m getting paid in hard cash and not in kind…
So for today’s repair project I have a quad-100W growlight unit on my desk that was in mortal agony when it arrived. The thing does not have a power-on indicator (usually you do know when it’s on…), all it did was some dim, erratic flickering of the LEDs. Zero noise emitted. Some of the LEDs could be massaged to flash, but that’s not even a short-term fix. I guess the bond wires have seen better days, but I still lack a microscope to verify that.
Anyway, here’s the unit, please forgive me for the changing backgrounds, these pictures were made over the span of several weeks, whenever I got time or materials to rebuild another step.
Simple, no-frills design, although I do not know why to put in a regular IEC 60320 C14 appliance inlet (“Kaltgerätebuchse”) AND an BS 1363 outlet that is typically used in the UK. Even for daisy-chaining units, I would expect a CEE 7/3 outlet (“Schuko”), or, more streamlined, another C13 appliance outlet that just needs an extension cord to the next C14 unit. But who am I to judge that design…
Why did it die in the first place? That’s pretty easy to answer. Pesky physics that happen when your Wan Hung Lo device manufacturer buys Wan Hung Lo power supplies that are made with Wan Hung Lo parts that are one tenth of a Yuan cheaper than a quality part. Let me elaborate: This is the 9th power supply brick in the unit, supplying 12V at 1A: (the largest cap is a Nichicon for testing purposes, see below)
(NL12W-121AB 110-240VAC 50/60Hz 1A 12V Ta50°C / Tc 90°C)
That’s the PCB, and it’s tiny on the primary side (more on the quite unusual circuit later) and even more piss-ant on the secondary side.

And this was the cap on the secondary side:

What a piece of shit. Ever heard of Su’scon? I didn’t. But I googled it. And the very first video showed up was this:
“Bad Electrolytic Capacitor Teardown”. What a surprise, a failed cap that took out the entire device. Which leads back to the physics problem. The only thing that is capable of killing the entire device is a failure on the 12V fan power supply. General over-voltage? Well, gotta kill every power brick individually and then roast the LEDs. Catastrophic single power brick failure? Well, only killing one LED (or even just half of it). Fan failure? One LED gone. But the fan power supply is capable of killing everything at once. You just do not stop the fans and keep on dumping almost 400 watts of power into that case. You don’t – or else, you end up on my operating table.
Side note: That’s a 12V supply. Using 16V smoothing caps without any temp rating is for tightasses only. The brick is rated for 50°C ambient and 80°C case temperature. Of course your friggen cap (and a few bucks of LEDs) will die quite soon…
Let’s get into the unit, cleaned prior to the photos, of course…
Again, very simple construction. Four identical reflector parts mounted onto the lid, made to fit snugly onto the top of the LED. They clearly have a stable source for those CPU heat sinks, otherwise they would need to change design quite often:
The LEDs didn’t look all that well, but at this point, I didn’t really know which parts were damaged and which were okay. I soldered some resistor dummy loads (silly me had his electronic load sitting at work!), and so I was able to verify that these still pump 0.5 amps at a very unusual 90 volts. I also checked the LEDs, which is tricky at these voltages – it took me two non-referenced wall warts to power two DC-DC boost converters that chained together with my 30V Statron lab power supply. Crazy, but that’s what I needed to do in order to generate shy of 100 volts DC with current limiting…
So – CC power bricks are okay, only LEDs are dead. Finding exact replacements isn’t easy due to the voltages, as most vendors have moved to the quasi-standard of somewhere between 25 and 36 volts of white COB lights. 90V seems a relict of the past, and less than five shops on Aliexpress had these LEDs in stock. At 40€ a piece that’s no bargain. On the contrary, if all power supplies were dead, too, that would have made repairs much easier: Just buy a new one. Similar units start at 300€ now, while this one allegedly had a 4-digit price sticker a few years ago.
These (and the new ones after cutting the tab) are actually two LED strings in one housing. They are set in 2x 4×8 arrays and not 2x 5×10, making them more like 1.5W individual LEDs instead of 1W. The new ones are sold as “7 band / 8 band”, making it quite hard to do shorter chains to get down to 30V operating voltage. I guess one could balance individual strings with resistors on the unused outer mounting places, but for these LEDs, they fortunately didn’t.
This also explains why they are 7 band AND 8 band. They actually do have two independent strings with DIFFERENT configurations, yet only subtle differences in voltage. Let’s do a rough calculation: Each string has
1x IR 730nm
13x red 660nm
8x red 630nm
1x orange 610nm
4x blue 460nm
3x blue 440nm
1x white 3500K
and then there’s 1x blue 460nm (already included in both) and 1x UV 380nm (unique)
Let’s say 2.5V for IR, red and orange / 3.5V for blue, UV and white, that’s 23x 2.5V + 9x 3.5V = 89V. Close enough. Any further split in more chains would likely require some compromises in terms of LED assortment. And if that’s the perfect for plant grow, well, why not use this unusual LED voltage…
If you have a closer look at the advertising image, you’ll notice something:

Count the LEDs and compare:
12x + 8x reddish
8x blue
1x UV
1x white
1x IR
and 1x green…
Furthermore, both strings are identical. Well, nice picture, but one of the marketing claims is clearly bullshit. There’s also a spectrum…
That would fit the former listing. Can’t spot green in there, can you?
Back to the new LEDs:
(Yes, that’s the correct amount! Bottom of the LED modules is not very even, you probably need the same or less on one of the new huge Threadripper CPUs!)

That’s also a spoiler to the next part, the new fan power supply. I did repair the old thing, but just to check my theory and if the fans would do their thing or if they needed replacement as well (you never know how a power supply fails). It did work, but I wouldn’t trust it any further than I can throw it, and I’m a lousy thrower. Replacement is a MeanWell RS-15-12, which has about the best datasheet URL possible.
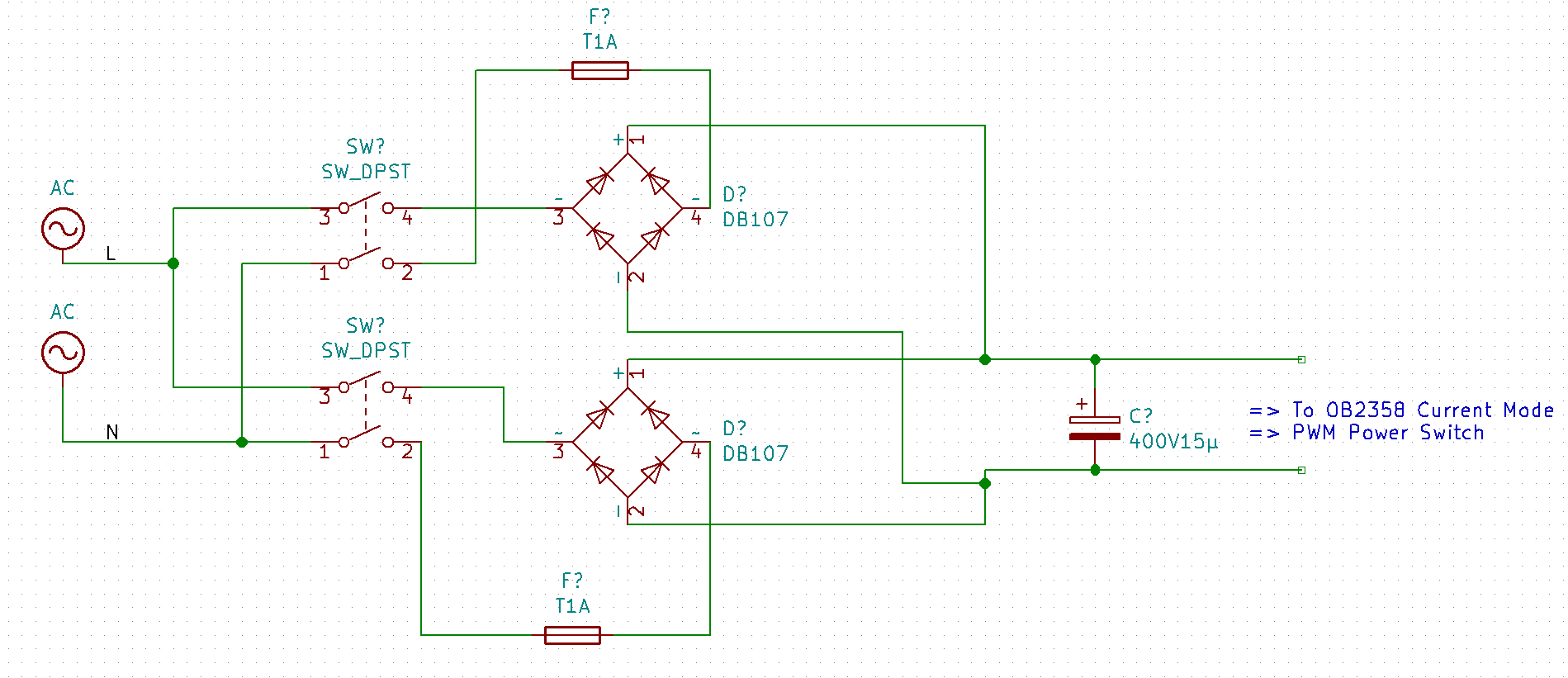
It’s a 1.5A unit (so never at full load even if the old one was maxed out) and is specced to 85-264VAC operation AND 120-370VDC. The latter part is important, as the original supply had an interesting twist. The unit has two switches in case you did not notice, and each switch turns on four power supplies (for two leds, diagonally opposite) AND the fan power supply. How do you connect one power brick to two switches without making the second switch obsolete? Well, the supply has a very unusual input configuration in place, I’ve never seen such a thing. Here’s a crude sketch of the important part until it goes into more standard circuits for driving the switching power supply itself:
This thing has two AC inputs, two fuses and two full-wave rectifier blocks, and then those non-smoothened DC lines are shorted together and fed into the rest of the circuit. There’s no backfeed into the other AC input through the rectifiers, hence the power brick is always powered once one of the switches is turned on, and if both are on, that’s no problem either. I guess in that case only one rectifier will carry the entire load due to manufacturing tolerances, but as I chose some oversized 4A/420V KBU4J unit (38 cents a piece!), that shouldn’t be any problem.
The MeanWell supply was chosen for a) the footprint and b) the specced DC operation. As it is 1.5A instead of 1.0A, it also should be okay with the internal rectifier running always the same direction with our unknown load. I had to remove one screw from the case and instead add two screw holes for mounting the new supply sideways:
The twin wire ferrules were removed after some testing, as they didn’t really fit the small connectors. I replaced them with two 3-terminal 221 Wago blocks, feeding a single wire into the power supply terminal block instead of two. That fits nicely and is much safer than pressing down two ferrules into a single terminal, which would have been another option (in theory!).
Here’s the rectifier mount – one more screw hole on both front edges, long screw, counter nut, 15mm plastic spacer, rectifier, another nut with some loctite.

Add some cable ties to reduce the clutter, and we’re good to go!
It’s, umm…BRIGHT. And it totally screws up your color vision due to being red/blue and basically nothing else. Once the grow lights are off, you’re having green-o-vision for a substantial amount of time…
That’s the test rig from my chop saw – it was an overcast day, but it’s still pretty bright in summer in the middle of the day. That pink tint blankets everything. (Thanks Mr. Squirrel for messing with my flower pots!)
Temperatures via IR meter: Well, difficult, as there’s a plastic window over the reflector, which obviously also blocks direct heat sink readings. On the right angle over the area of a few square millimeters, the meter says up to 85°C. Move it a bit, and we’re down at 60°C. Not great, but 100W LEDs should be specced quite high in Tj anyway…
And now for the fun part: Spectrum and die shots. At FULL load.
The local hardware store doesn’t even have a welding helmet in stock. They had shields without protective glass for ridiculous money, or goggles rated for level 5 that were too bright when tested with my flashlight (should post that review some day…). Didn’t want to lend one from work, so thought about it for a while and remembered the solar eclipse from 2015. I was at university at that time – and we used what physicists use for optical attenuation when image quality is irrelevant: Space blankets!
Now, I do not recommend doing any of this for half a dozen reasons that are obvious, but when done correctly, it just works. Two layers are a bit much (well, at least for my type of blanket, YMMV), while one layer is okay for the camera but risky for the eyes. So I wrapped my Uvex safety goggles accordingly…
Here’s the spectrum – basically nothing besides red and blue:
Readings could be well off as I didn’t want to spend a lot of time in front of the mini sun, but the absence of yellow/green (top scale!) totally confirms the marketing spectrum.
Now onto die shots: Same complicated thing. But I learnt a lot about my camera, for example that it does have a grey/ND filter with 1:8 attenuation.
Here’s what you get at 1/250s, ISO 160 (?!), f/4 auto mode with two layers of the blanket. Colorful, but still too bright. The auto mode doesn’t really get that edge case.
RAW mode does preserve a bit more detail, this one was shot in 1/2000s, ISO 80, f/8.0 and I think one layer of foil. Ubuntu is broken at the moment, so GIMP and others fail at exporting the CR2 format into JPG. Here’s what you get until ufraw batch thingy crashes:
I think it’s nice to see the individual LEDs in the reflector, wouldn’t have expected that.
And here’s the fancy bits: 1/2000s, ISO 80, f/8.0, full optical zoom (5.2 -> 26mm, apparently 120mm equiv), ND filter on and one layer of film in front of the camera. That’s a LOT attenuation, folks…
ND filter off, everything else the same – and this is just right. The zoom eats away just enough intensity to make that red shine. LOVE IT!

List from above:
2x IR 730nm
26x red 660nm
16x red 630nm
2x orange 610nm
9x blue 460nm
6x blue 440nm
1x UV 380nm
2x white 3500K
The single dim LED has to be the UV one, likely filtered away by the aluminium coating. Then there’s two blueish-green ones that have no bonding wires visible, that has to be White with coating on top. 460nm and 440nm blues are clearly distinguishable. For the others, one has to count…the squares with two rounded edges contain 16x 630nm and 2x 610nm, and the other 28 pcs are 660nm reds and mixed with two IR ones. Hard to say which one is which!
That’s it for today, that was a fun repair that took me way too long, but I think it was worth it. Lots of dicking around, mechanical and electrical work, and a lot of photography stuff learned. I will, however, most likely NOT fix your broken FlowerPower unit!
This blog post may or may not contain an Easter egg. Let me know…




























[…] and there’s an ND filter in M2 to M5 which was very handy when doing die shots from a running 100W LED (#P8). So for my estimated “reasonable” price of 160€ – 220€ – 320€ for […]
[…] order value: 0.42€ (two USB-C to Micro adapters) Max order value: 164.31€ (the LEDs from the growlight repair; only this and four others were above the VAT-free order limit of 22€) Avg order value: 5.54€ […]
Any chance you could link me to the led chips please
Have a grow light that fan driver went on and 4 chips down out of 6
Got me right there – I usually use the item description as the blog post title, but as the LED itself wasn’t the main thing of attraction here, I didn’t
Original item description was “7 Band 8 Band 200w COB Led Grow Chip, full spectrum red blue UV IR White led plant grow chip ,2 Channel output for hydroponics ,” The very offer I bought is unsurprisingly no longer available, but you might be able to start from here: https://www.aliexpress.com/item/32803232276.html
Note that there might be newer designs available that have integrated driver chips on the PCB, so they do not need external drivers but run from 110/230V directly – bigclive has done some video on these.